LED šviesos taškas - 3000K šiltai balta šviesa
LED šviesos taškai, žvaigždėtos lubos
Montavimas: į lubas, sieną ar kitą Jūsų pasirinktą vietą
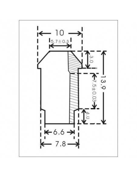
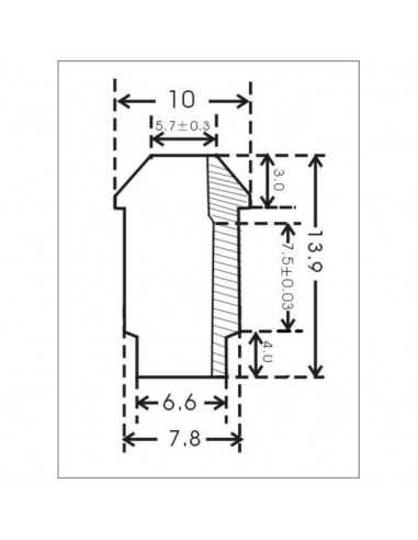
Vieno taško dydis: 8 x 17 mm
Laido ilgis: 180 mm
Energijos suvartojimas: 0,2W
Atsparumas drėgmei: IP68 (montavimas ir po vandeniu)
Garantija: 2 metai
Komentarai (0)
Šiuo metu klientų atsiliepimų nėra.













.jpg)





.jpg)

















